31. Berounské setkání elektrotechniků dne 17.2.2026 v areálu ART elektro, U Archivu 1925, 26601 Beroun
ART ELEKTRO spol. s r.o. spolu s Ing. Jiří Horákem pro vás připravili školení o nových požadavcích norem a přezkoušení dle NV 194/2022 Sb. o odborné způsobilosti v elektrotechnice.
podrobnější informace, soubory ke stažení : ZDE
Hakel *HI63 Tlumivka
| Kód produktu: | 777212277 |
|---|---|
| Kód dodavatele: | 30404 |
| EAN: | 8590681117132 |
| Výrobce: | HAKEL spol. s r.o. |
| Záruka: | 24 měsíc |
Na objednávku do 7 dní
1 210,20 CZK bez DPH / ks
1 464,34 CZK s DPH
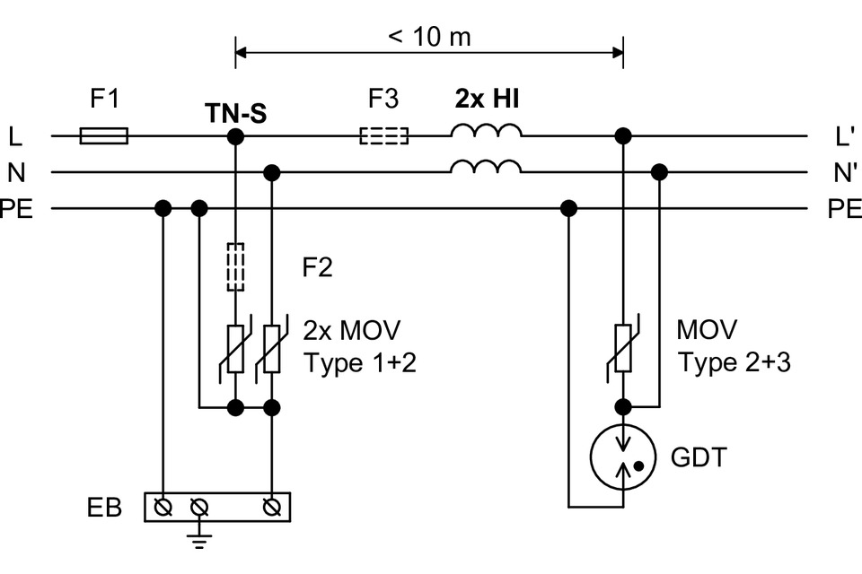
Zabezpečují tzv. energetickou koordinaci mezi svodiči typu T1 a T2, ev. mezi svodiči typu T2 a T3 tam, kde není mezi nimi zajištěna dostatečná vzdálenost. Při nedodržení energetické koordinace ochran existuje možnost poškození svodiče navazujícího stupně ochranné kaskády nadměrnou energií procházejícího impulzu. Jestliže mezi dvěma následnými stupni je alespoň 5 m vedení (týká se případů kdy dva následné stupně ochrany jsou ve dvou rozvaděčích), je možno rázovou oddělovací tlumivku vynechat. Instaluje se dle norem: ČSN EN 62305 ed. 2, ČSN CLC/TS 61643-12.
|
Jmenovitá indukčnost
6 µH
|
|
Jmenovité napětí AC
500 V
|
|
Jmenovitý zatěžovací proud
63 A
|
|
Konstrukční velikost
2 TE
|
|
Způsob montáže
DIN lišta 35 mm
|
