31. Berounské setkání elektrotechniků dne 17.2.2026 v areálu ART elektro, U Archivu 1925, 26601 Beroun
ART ELEKTRO spol. s r.o. spolu s Ing. Jiří Horákem pro vás připravili školení o nových požadavcích norem a přezkoušení dle NV 194/2022 Sb. o odborné způsobilosti v elektrotechnice.
podrobnější informace, soubory ke stažení : ZDE
Hakel *HLA50-255/3+0 S ochrana před přepětím SPD typ 1
| Kód produktu: | 777212246 |
|---|---|
| Kód dodavatele: | 10977 |
| EAN: | 8590681114841 |
| Výrobce: | HAKEL spol. s r.o. |
| Záruka: | 24 měsíc |
Na objednávku do 7 dní
7 949,90 CZK bez DPH / ks
9 619,38 CZK s DPH
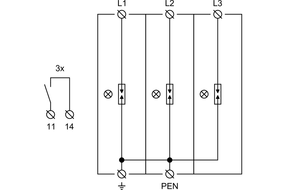
Svodiče impulzních proudů typu T1 zajišťují vyrovnávání potenciálů a eliminují účinky bleskového proudu v jednofázových a třífázových sítích. Ve výrobcích je použito vícenásobné bezvýfukové jiskřiště, jsou tak schopny svést impulz bleskového proudu nejvyšších hodnot. Vhodné pro objekty s uvažovanou hladinou ochrany LPL I a LPL II jako jsou velké průmyslové celky a objekty zvláštní důležitosti – nemocnice, banky, elektrárny. Instalují se co nejblíže vstupu nadzemního vedení do objektu – trafostanic, elektroměrových a hlavních rozvaděčů. Pokud výrobek obsahuje dvě svorky PE (resp. PEN), nesmí být použity jako můstek PE (PEN). Označení LED specifikuje provedení s LED indikací stavu. Označení S specifikuje provedení s dálkovou signalizací spolu s LED indikací stavu. Instaluje se dle norem: ČSN EN 62305 ed. 2, ČSN 33 2000-5-53 ed. 3, ČSN CLC/TS 61643-12.
|
Bleskový proud (10/350)
50 kA
|
|
Jmenovitý svodový rázový proud (8/20)
50 kA
|
|
Maximální trvalé napětí AC
255 V
|
|
Jmenovité napětí AC
230 V
|
|
Napěťová ochranná hladina
2 kV
|
|
Schopnost zhášení následného proudu
25 kA
|
|
Způsob montáže
DIN lišta 35 mm
|
|
Konstrukční velikost
6 TE
|
|
S komunikačním kontaktem
Ano
|
|
Vyfukovací
Ano
|
|
Signalizace na přístroji
Optické
|
|
Zkušební třída typ 1
Ano
|
