UPOZORNĚNÍ : Uzavírka přístupových komunikací k prodejně Beroun, provoz NEPŘERUŠEN. Varianta 1.- Průjezdná - zřízen nový vjezd do areálu firmy ART elektro, Z ulice Plzeňská odbočit do ulice Tyršova (okolo Policie) kde odbočíte doleva na parkoviště a na konci doprava a použijete nový vjezd. Varianta 2. = Neprůjezdná - pro příjezd ulice "Na Dražkách" (Autoservis Hřebíček) a dále pokračujte ulicí U Archivu (vjíždíte do zákazu vjezdu, probíhají stavební práce). Objednávky e-shopu vyřizujeme bez omezení. Děkujeme tým ART elektro
Mapka vjezdu ZDE

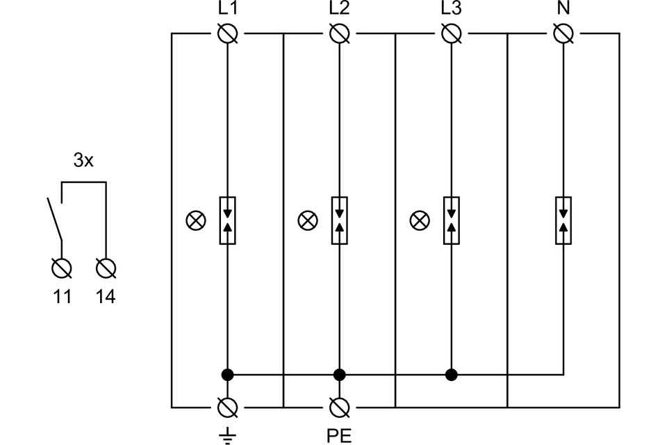
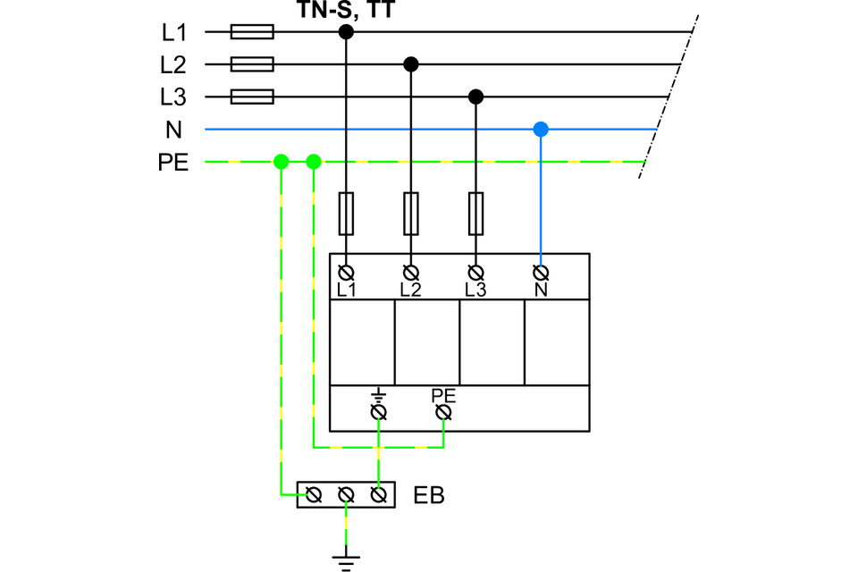
Hakel *HLA50-440/4+0 S ochrana před přepětím SPD typ 1

Kód produktu: 777212261
Kód dodavatele: 10961
EAN: 8590681114773
Výrobce: HAKEL spol. s r.o.
Záruka: 24 měsíc
Na objednávku do 7 dní
9 412,20 CZK bez DPH / ks
11 388,76 CZK s DPH
MJ: ks
Svodiče impulzních proudů typu T1 zajišťují vyrovnávání potenciálů a eliminují účinky bleskového proudu v jednofázových a třífázových sítích. Ve výrobcích je použito vícenásobné bezvýfukové jiskřiště, jsou tak schopny svést impulz bleskového proudu nejvyšších hodnot. Vhodné pro objekty s uvažovanou hladinou ochrany LPL I a LPL II jako jsou velké průmyslové celky a objekty zvláštní důležitosti – nemocnice, banky, elektrárny. Instalují se co nejblíže vstupu nadzemního vedení do objektu – trafostanic, elektroměrových a hlavních rozvaděčů. Pokud výrobek obsahuje dvě svorky PE (resp. PEN), nesmí být použity jako můstek PE (PEN). Označení LED specifikuje provedení s LED indikací stavu. Označení S specifikuje provedení s dálkovou signalizací spolu s LED indikací stavu. Instaluje se dle norem: ČSN EN 62305 ed. 2, ČSN 33 2000-5-53 ed. 3, ČSN CLC/TS 61643-12.
Bleskový proud (10/350)
50 kA
Jmenovitý svodový rázový proud (8/20)
50 kA
Maximální trvalé napětí AC
440 V
Jmenovité napětí AC
400 V
Napěťová ochranná hladina
2,5 kV
Schopnost zhášení následného proudu
3 kA
Způsob montáže
DIN lišta 35 mm
Konstrukční velikost
8 TE
S komunikačním kontaktem
Ano
Vyfukovací
Ano
Signalizace na přístroji
Optické
Zkušební třída typ 1
Ano

Parametry