31. Berounské setkání elektrotechniků dne 17.2.2026 v areálu ART elektro, U Archivu 1925, 26601 Beroun
ART ELEKTRO spol. s r.o. spolu s Ing. Jiří Horákem pro vás připravili školení o nových požadavcích norem a přezkoušení dle NV 194/2022 Sb. o odborné způsobilosti v elektrotechnice.
podrobnější informace, soubory ke stažení : ZDE
Hakel *HLSA12,5-150/2+0 ochrana před přepětím SPD typ 1+2
| Kód produktu: | 777212011 |
|---|---|
| Kód dodavatele: | 10253 |
| EAN: | 8590681113455 |
| Výrobce: | HAKEL spol. s r.o. |
| Záruka: | 24 měsíc |
Na objednávku do 7 dní
1 886,60 CZK bez DPH / ks
2 282,79 CZK s DPH
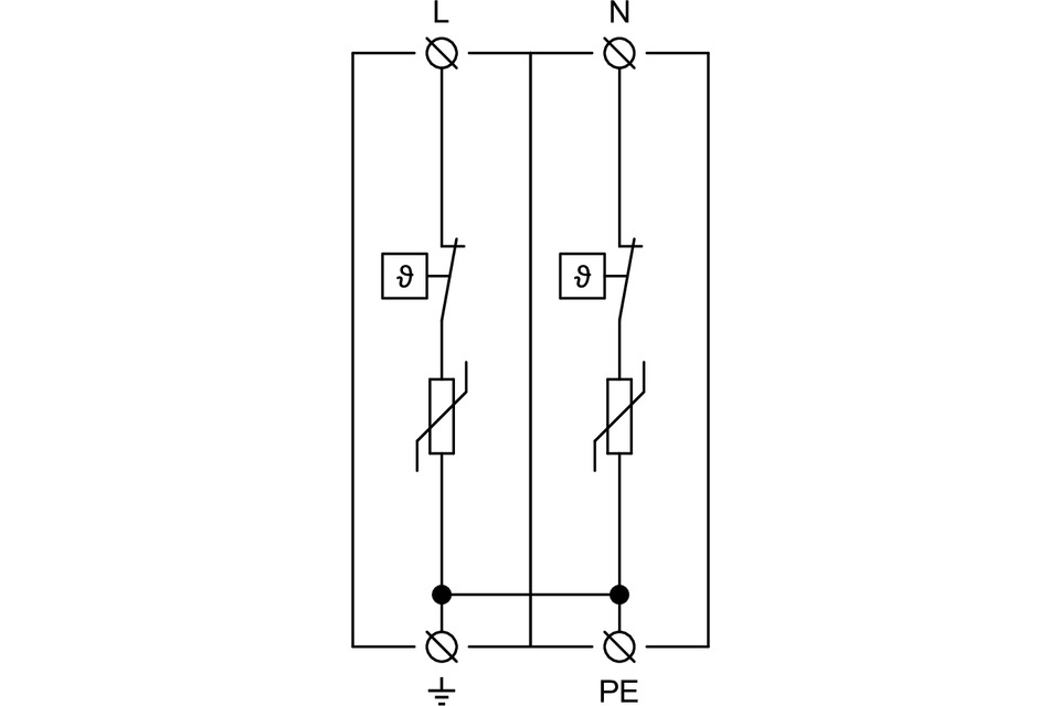
Svodiče impulzních proudů a rázového přepětí typu T1+T2, zajišťují vyrovnávání potenciálů a eliminují účinky bleskového proudu a omezují spínací, indukované a zbytkové přepětí v jednofázových a třífázových sítích. Vhodné pro objekty s uvažovanou hladinou ochrany LPL III a LPL IV jako jsou menší administrativní budovy, obytné domy, rodinné domky či objekty a haly bez výskytu osob a vnitřního vybavení. Instalují se na rozhraní zón LPZ 0 – LPZ 1 a vyšší, co nejblíže vstupu kabelového vedení do objektu – hlavních rozvaděčů. Výrobky jsou složeny z varistorů s velkou svodovou schopností. V provedení 1+1 a 3+1 jsou navíc v kombinaci s bleskojistkou, která zajišťuje nulový průsakový proud vodičem PE. Pokud výrobek obsahuje dvě svorky PE (resp. PEN), nesmí být použity jako můstek PE (PEN). Označení S specifikuje provedení s dálkovou signalizací. Instaluje se dle norem: ČSN EN 62305 ed. 2, ČSN 33 2000-5-53 ed. 3, ČSN CLC/TS 61643-12.
|
Počet pólů
2
|
|
Bleskový proud (10/350)
12,5 kA
|
|
Maximální trvalé napětí AC
150 V
|
|
Jmenovité napětí AC
120 V
|
|
Napěťová ochranná hladina
0,7 kV
|
|
Způsob montáže
DIN lišta 35 mm
|
|
Konstrukční velikost
2 TE
|
|
Dálková signalizace
Ne
|
|
Signalizace na přístroji
Optické
|
|
Zkušební třída
Typ 1 a 2
|
|
Vyfukovací
Ano
|
