31. Berounské setkání elektrotechniků dne 17.2.2026 v areálu ART elektro, U Archivu 1925, 26601 Beroun
ART ELEKTRO spol. s r.o. spolu s Ing. Jiří Horákem pro vás připravili školení o nových požadavcích norem a přezkoušení dle NV 194/2022 Sb. o odborné způsobilosti v elektrotechnice.
podrobnější informace, soubory ke stažení : ZDE
Hakel *HLSA12,5-275/1+1 M ochrana před přepětím SPD typ 1+2+3
| Kód produktu: | 777211937 |
|---|---|
| Kód dodavatele: | 16081 |
| EAN: | 8590681114360 |
| Výrobce: | HAKEL spol. s r.o. |
| Záruka: | 24 měsíc |
Na objednávku do 7 dní
2 161,90 CZK bez DPH / ks
2 615,90 CZK s DPH
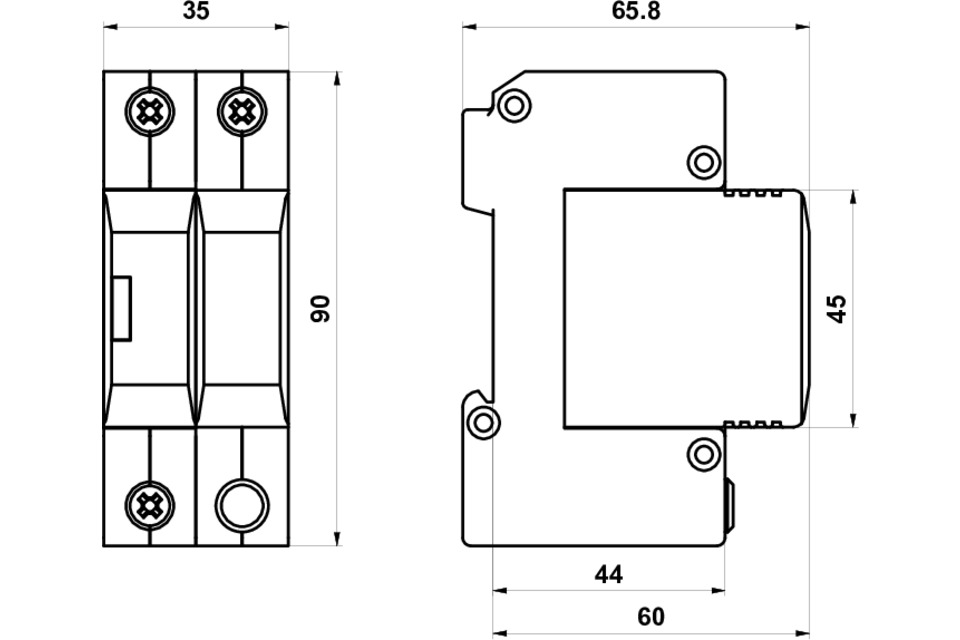
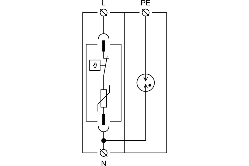
Svodiče impulzních proudů a rázového přepětí typu T1+T2+T3. Výrobky jsou složeny z varistorů s velkou svodovou schopností. HLSA12,5 v provedení 1+1, 3+1 a HLSA12,5G jsou navíc v kombinaci s bleskojistkou, která zajišťuje nulový průsakový proud vodičem PE. Vhodné pro objekty s uvažovanou hladinou ochrany LPL III a LPL IV. Instalují se na rozhraní zón LPZ 0 – LPZ 1 a vyšší, co nejblíže vstupu kabelového vedení do objektu – hlavních rozvaděčů. V případě instalace svodiče označeného T1+T2+T3 v hlavním rozvaděči je nezbytné instalovat také svodiče přepětí T2 a T3 v podružných rozvaděčích. Pokud výrobek obsahuje dvě svorky PE (resp. PEN), nesmí být použity jako můstek PE (PEN). Označení M specifikuje konstrukční provedení s výměnným modulem. Označení S specifikuje provedení s dálkovou signalizací. Instaluje se dle norem: ČSN EN 62305 ed. 2, ČSN 33 2000-5-53 ed. 3, ČSN CLC/TS 61643-12.
|
Počet pólů
2
|
|
Bleskový proud (10/350)
12,5 kA
|
|
Maximální trvalé napětí AC
275 V
|
|
Jmenovité napětí AC
230 V
|
|
Napěťová ochranná hladina L-N
1,25 kV
|
|
Způsob montáže
DIN lišta 35 mm
|
|
Konstrukční velikost
2 TE
|
|
Dálková signalizace
Ne
|
|
Signalizace na přístroji
Optické
|
|
Zkušební třída
Typ 1 a 2
|
|
Vyfukovací
Ano
|
