UPOZORNĚNÍ : Uzavírka přístupových komunikací k prodejně Beroun, provoz NEPŘERUŠEN. Varianta 1.- Průjezdná - zřízen nový vjezd do areálu firmy ART elektro, Z ulice Plzeňská odbočit do ulice Tyršova (okolo Policie) kde odbočíte doleva na parkoviště a na konci doprava a použijete nový vjezd. Varianta 2. = Neprůjezdná - pro příjezd ulice "Na Dražkách" (Autoservis Hřebíček) a dále pokračujte ulicí U Archivu (vjíždíte do zákazu vjezdu, probíhají stavební práce). Objednávky e-shopu vyřizujeme bez omezení. Děkujeme tým ART elektro
Mapka vjezdu ZDE

Hakel *HLSA12,5-440/4+0 ochrana před přepětím SPD typ 1+2

Kód produktu: 777212062
Kód dodavatele: 10338
EAN: 8590681113844
Výrobce: HAKEL spol. s r.o.
Záruka: 24 měsíc
Na objednávku do 7 dní
7 644,00 CZK bez DPH / ks
9 249,24 CZK s DPH
MJ: ks
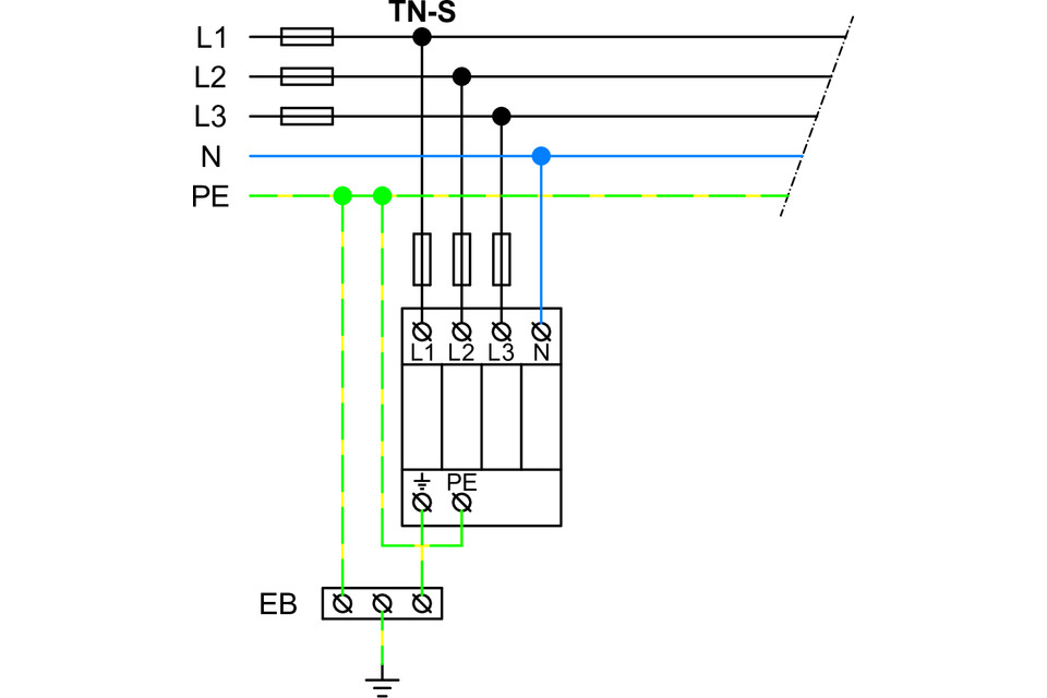
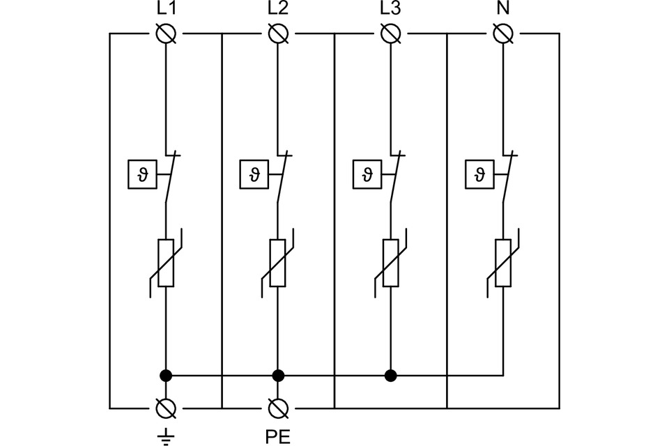
Svodiče impulzních proudů a rázového přepětí typu T1+T2 zajišťují vyrovnávání potenciálů a eliminují účinky bleskového proudu a omezují spínací, indukované a zbytkové přepětí v jednofázových a třífázových sítích. Vhodné pro objekty s uvažovanou hladinou ochrany LPL III a LPL IV jako jsou menší administrativní budovy, obytné domy, rodinné domky či objekty a haly bez výskytu osob a vnitřního vybavení. Instalují se na rozhraní zón LPZ 0 – LPZ 1 a vyšší, co nejblíže vstupu kabelového vedení do objektu – hlavních rozvaděčů. Výrobky jsou složeny z varistorů s velkou svodovou schopností. V provedení 1+1 a 3+1 jsou navíc v kombinaci s bleskojistkou, která zajišťuje nulový průsakový proud vodičem PE. Pokud výrobek obsahuje dvě svorky PE (resp. PEN), nesmí být použity jako můstek PE (PEN). Označení S specifikuje provedení s dálkovou signalizací. Instaluje se dle norem: ČSN EN 62305 ed. 2, ČSN 33 2000-5-53 ed. 3, ČSN CLC/TS 61643-12.
Počet pólů
Bleskový proud (10/350)
12,5 kA
Maximální trvalé napětí AC
440 V
Jmenovité napětí AC
400 V
Napěťová ochranná hladina
1,8 kV
Způsob montáže
DIN lišta 35 mm
Konstrukční velikost
8 TE
Dálková signalizace
Ne
Signalizace na přístroji
Optické
Zkušební třída
Typ 1 a 2
Vyfukovací
Ano

Parametry