UPOZORNĚNÍ : Uzavírka přístupových komunikací k prodejně Beroun, provoz NEPŘERUŠEN. Varianta 1.- Průjezdná - zřízen nový vjezd do areálu firmy ART elektro, Z ulice Plzeňská odbočit do ulice Tyršova (okolo Policie) kde odbočíte doleva na parkoviště a na konci doprava a použijete nový vjezd. Varianta 2. = Neprůjezdná - pro příjezd ulice "Na Dražkách" (Autoservis Hřebíček) a dále pokračujte ulicí U Archivu (vjíždíte do zákazu vjezdu, probíhají stavební práce). Objednávky e-shopu vyřizujeme bez omezení. Děkujeme tým ART elektro
Mapka vjezdu ZDE

Hakel *HLSA25-275/2+0 ochrana před přepětím SPD typ 1+2+3

Kód produktu: 777211972
Kód dodavatele: 10452
EAN: 8590681114179
Výrobce: HAKEL spol. s r.o.
Záruka: 24 měsíc
Na objednávku do 7 dní
3 491,60 CZK bez DPH / ks
4 224,84 CZK s DPH
MJ: ks
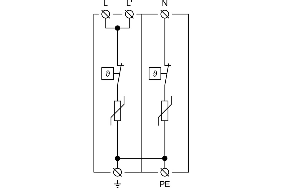
Svodiče impulzních proudů a rázového přepětí typu T1+T2+T3. Výrobky jsou složeny z varistorů s velkou svodovou schopností. HLSA25 v provedení 1+1, 3+1 a HLSA25G jsou navíc v kombinaci s bleskojistkou, která zajišťuje nulový průsakový proud vodičem PE. Vhodné pro objekty s uvažovanou hladinou ochrany LPL I a LPL II. Instalují se na rozhraní zón LPZ 0 – LPZ 1 a vyšší, co nejblíže vstupu kabelového vedení do objektu – hlavních rozvaděčů. V případě instalace svodiče označeného T1+T2+T3 v hlavním rozvaděči je nezbytné instalovat také svodiče přepětí T2 a T3 v podružných rozvaděčích. Pokud výrobek obsahuje dvě svorky PE (resp. PEN), nesmí být použity jako můstek PE (PEN). Označení S specifikuje provedení s dálkovou signalizací. Instaluje se dle norem: ČSN EN 62305 ed. 2, ČSN 33 2000-5-53 ed. 3, ČSN CLC/TS 61643-12.
Počet pólů
Bleskový proud (10/350)
25 kA
Maximální trvalé napětí AC
275 V
Jmenovité napětí AC
230 V
Napěťová ochranná hladina
1,2 kV
Způsob montáže
DIN lišta 35 mm
Konstrukční velikost
4 TE
Dálková signalizace
Ne
Signalizace na přístroji
Optické
Zkušební třída
Typ 1 a 2
Vyfukovací
Ano

Parametry