UPOZORNĚNÍ : Uzavírka přístupových komunikací k prodejně Beroun, provoz NEPŘERUŠEN. Varianta 1.- Průjezdná - zřízen nový vjezd do areálu firmy ART elektro, Z ulice Plzeňská odbočit do ulice Tyršova (okolo Policie) kde odbočíte doleva na parkoviště a na konci doprava a použijete nový vjezd. Varianta 2. = Neprůjezdná - pro příjezd ulice "Na Dražkách" (Autoservis Hřebíček) a dále pokračujte ulicí U Archivu (vjíždíte do zákazu vjezdu, probíhají stavební práce). Objednávky e-shopu vyřizujeme bez omezení. Děkujeme tým ART elektro
Mapka vjezdu ZDE

Hakel *HLSA6,5 PV 800/2 M ochrana před přepětím SPD PV typ 1 + 2

Kód produktu: 777212912
Kód dodavatele: 16368
EAN: 8590681172254
Výrobce: HAKEL spol. s r.o.
Záruka: 24 měsíc
Na objednávku do 7 dní
1 810,40 CZK bez DPH / ks
2 190,58 CZK s DPH
MJ: ks
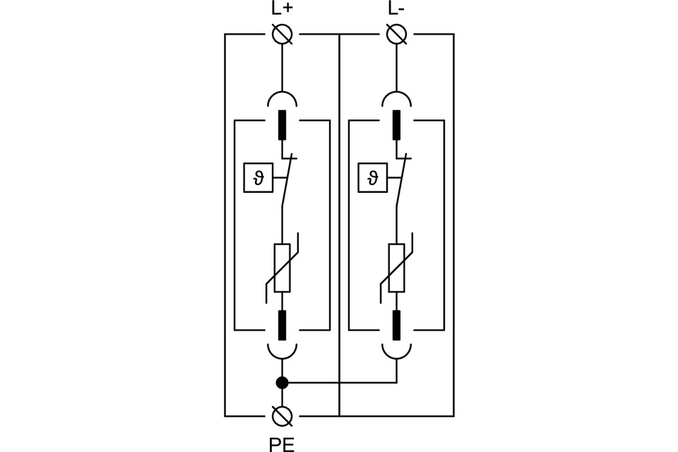
Svodiče impulzních proudů a rázového přepětí typu T1+T2 pro fotovoltaické (PV) systémy v U nebo Y zapojení. Výhodou zapojení Y oproti U je odolnost vůči zemnímu spojení pracovních vodičů a nulový reziduální (svodový) proud vodičem PE. Jednotlivé varistorové sekce zapojené mezi svorky L+, L- a PE jsou opatřeny interními odpojovači, které jsou aktivovány při poruše (přehřátí) varistorů a jsou schopny přerušit DC proud. Speciální konstrukce vnitřního odpojovače dovoluje instalaci bez předřazeného předjištění. Instalují se na DC straně v PV aplikacích s vnějším LPS, kde není dodržena dostatečná vzdálenost „s“. Jsou vhodné pro hladinu LPL III nebo IV. Zajišťují vyrovnávání potenciálů plusových a mínusových sběrnic PV systémů a likvidaci transientních přepětí vznikajících při atmosférických výbojích (včetně přímého úderu blesku do PV systému) nebo spínacích procesech. Označení M specifikuje konstrukční provedení s výměnným modulem. Označení S specifikuje provedení s dálkovou signalizací. Instaluje se dle norem: ČSN EN 62305 ed. 2, IEC 61643-32:2017, ČSN CLC/TS 50539-12, ČSN 33 2000-7-712 ed. 2.
Bleskový proud (10/350)
6,5 kA
Maximální trvalé napětí DC
800 V
Způsob montáže
DIN lišta 35 mm
Konstrukční velikost
2 TE
Dálková signalizace
Ne
Signalizace na přístroji
Optické
Zkušební třída
Typ 1 a 2
Vyfukovací
Ano

Parametry