UPOZORNĚNÍ : Uzavírka přístupových komunikací k prodejně Beroun, provoz NEPŘERUŠEN. Varianta 1.- Průjezdná - zřízen nový vjezd do areálu firmy ART elektro, Z ulice Plzeňská odbočit do ulice Tyršova (okolo Policie) kde odbočíte doleva na parkoviště a na konci doprava a použijete nový vjezd. Varianta 2. = Neprůjezdná - pro příjezd ulice "Na Dražkách" (Autoservis Hřebíček) a dále pokračujte ulicí U Archivu (vjíždíte do zákazu vjezdu, probíhají stavební práce). Objednávky e-shopu vyřizujeme bez omezení. Děkujeme tým ART elektro
Mapka vjezdu ZDE

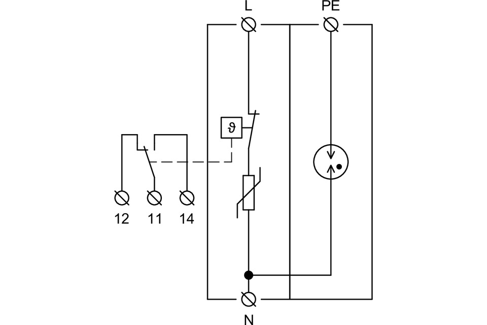
Hakel *HSA-320/1+1 S ochrana před přepětím SPD typ 2+3

Kód produktu: 777212473
Kód dodavatele: 24552
EAN: 8590681115312
Výrobce: HAKEL spol. s r.o.
Záruka: 24 měsíc
Na objednávku do 7 dní
1 763,40 CZK bez DPH / ks
2 133,71 CZK s DPH
MJ: ks
Svodiče rázového přepětí typu T2+T3 zajišťují vyrovnávání potenciálů a omezují spínací, indukované a zbytkové přepětí v sítích nn. Výrobky jsou složeny z varistorů s velkou svodovou schopností. V provedení 1+1 a 3+1 jsou navíc v kombinaci s bleskojistkou, která zajišťuje nulový průsakový proud vodičem PE. Instalují se na rozhraní zón LPZ 1 – LPZ 3 do podružných rozvaděčů a ovládacích skříní. Pokud výrobek obsahuje dvě svorky PE (resp. PEN), nesmí být použity jako můstek PE (PEN). Označení M specifikuje konstrukční provedení s výměnným modulem. Označení S specifikuje provedení s dálkovou signalizací. Instaluje se dle norem: ČSN EN 62305 ed. 2, ČSN 33 2000-5-53 ed. 3, ČSN CLC/TS 61643-12.
Jmenovitý svodový rázový proud (8/20)
20 kA
Jmenovité napětí AC
230 V
Maximální trvalé napětí AC
320 V
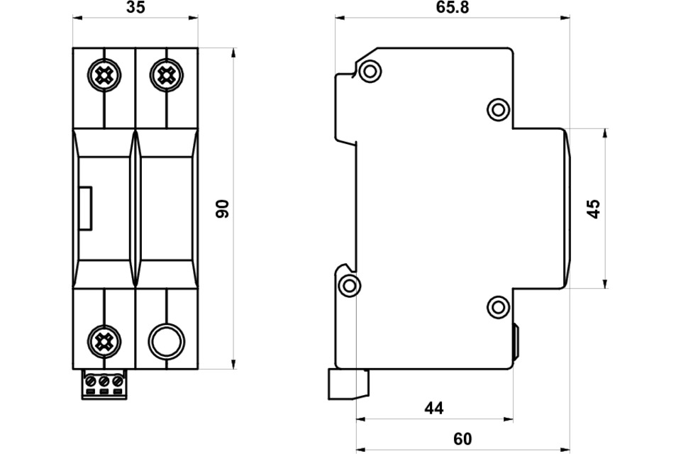
Způsob montáže
DIN lišta 35 mm
Konstrukční velikost
2 TE
Napěťová ochranná hladina
1,35 kV
Napěťová ochranná hladina L-N
1,35 kV
S komunikačním kontaktem
Ano
Signalizace na přístroji
Optické
Zkušební třída typ 2
Ano
Krytí (IP)
IP20

Parametry