31. Berounské setkání elektrotechniků dne 17.2.2026 v areálu ART elektro, U Archivu 1925, 26601 Beroun
ART ELEKTRO spol. s r.o. spolu s Ing. Jiří Horákem pro vás připravili školení o nových požadavcích norem a přezkoušení dle NV 194/2022 Sb. o odborné způsobilosti v elektrotechnice.
podrobnější informace, soubory ke stažení : ZDE
Hakel *HSA-75/2+0 M S ochrana před přepětím SPD typ 2+3
| Kód produktu: | 777212396 |
|---|---|
| Kód dodavatele: | 27506 |
| EAN: | 8590681116319 |
| Výrobce: | HAKEL spol. s r.o. |
| Záruka: | 24 měsíc |
Na objednávku do 7 dní
1 641,00 CZK bez DPH / ks
1 985,61 CZK s DPH
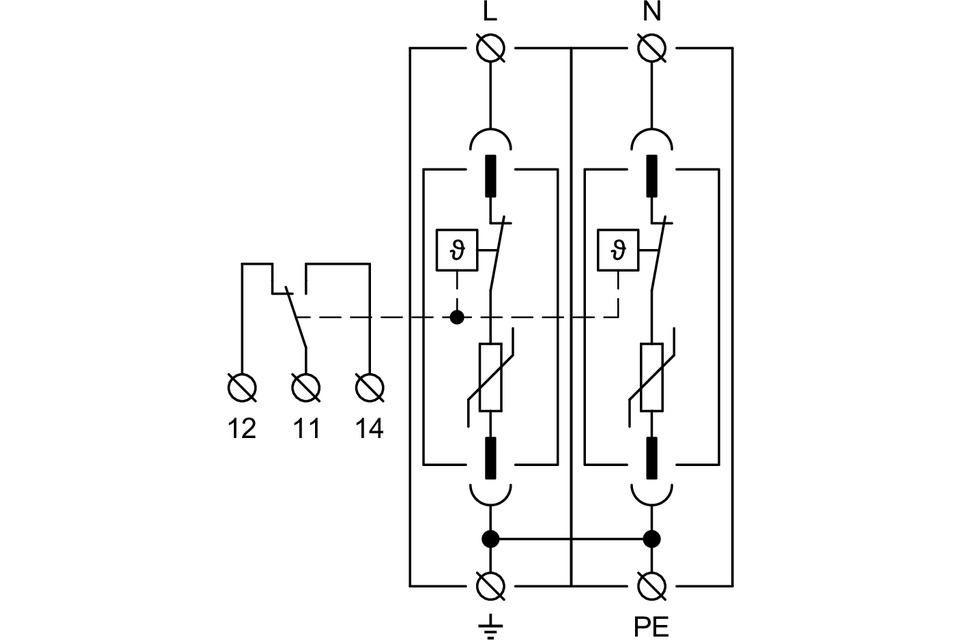
Svodiče rázového přepětí typu T2+T3 zajišťují vyrovnávání potenciálů a omezují spínací, indukované a zbytkové přepětí v sítích nn. Výrobky jsou složeny z varistorů s velkou svodovou schopností. V provedení 1+1 a 3+1 jsou navíc v kombinaci s bleskojistkou, která zajišťuje nulový průsakový proud vodičem PE. Instalují se na rozhraní zón LPZ 1 – LPZ 3 do podružných rozvaděčů a ovládacích skříní. Pokud výrobek obsahuj dvě svorky PE (resp. PEN), nesmí být použity jako můstek PE (PEN). Označení M specifikuje konstrukční provedení s výměnným modulem. Označení S specifikuje provedení s dálkovou signalizací. Instaluje se dle norem: ČSN EN 62305 ed. 2, ČSN 33 2000-5-53 ed. 3, ČSN CLC/TS 61643-12.
|
Jmenovitý svodový rázový proud (8/20)
15 kA
|
|
Jmenovité napětí AC
60 V
|
|
Maximální trvalé napětí AC
75 V
|
|
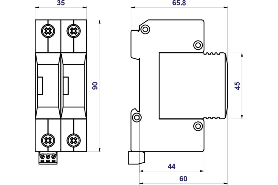
Způsob montáže
DIN lišta 35 mm
|
|
Konstrukční velikost
2 TE
|
|
Napěťová ochranná hladina
0,45 kV
|
|
S komunikačním kontaktem
Ano
|
|
Signalizace na přístroji
Optické
|
|
Zkušební třída typ 2
Ano
|
|
Krytí (IP)
IP20
|
