UPOZORNĚNÍ : Uzavírka přístupových komunikací k prodejně Beroun, provoz NEPŘERUŠEN. Varianta 1.- Průjezdná - zřízen nový vjezd do areálu firmy ART elektro, Z ulice Plzeňská odbočit do ulice Tyršova (okolo Policie) kde odbočíte doleva na parkoviště a na konci doprava a použijete nový vjezd. Varianta 2. = Neprůjezdná - pro příjezd ulice "Na Dražkách" (Autoservis Hřebíček) a dále pokračujte ulicí U Archivu (vjíždíte do zákazu vjezdu, probíhají stavební práce). Objednávky e-shopu vyřizujeme bez omezení. Děkujeme tým ART elektro
Mapka vjezdu ZDE

Hakel *HSA PV 600/2 M ochrana před přepětím SPD PV typ 2

Kód produktu: 777212868
Kód dodavatele: 27234
EAN: 8590681172094
Výrobce: HAKEL spol. s r.o.
Záruka: 24 měsíc
Na objednávku do 7 dní
1 481,80 CZK bez DPH / ks
1 792,98 CZK s DPH
MJ: ks
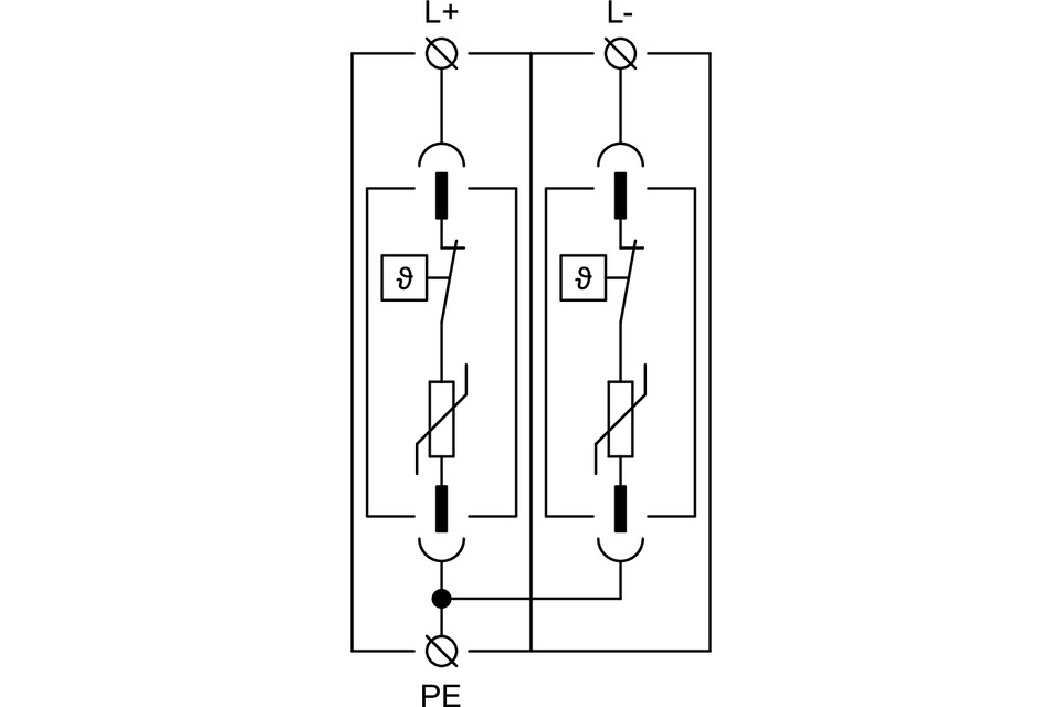
Svodiče rázového přepětí typu T2 pro fotovoltaické (PV) systémy v U nebo Y zapojení. Výhodou zapojení Y oproti U je odolnost vůči zemnímu spojení pracovních vodičů a nulový reziduální (svodový) proud vodičem PE. Jednotlivé varistorové sekce zapojené mezi svorky L+, L- a PE jsou opatřeny interními odpojovači, které jsou aktivovány při poruše (přehřátí) varistorů a jsou schopny přerušit DC proud. Speciální konstrukce vnitřního odpojovače dovoluje instalaci bez předřazeného předjištění. Instalují se na DC straně v PV aplikacích bez vnějšího LPS nebo s vnějším LPS, kde je dodržena dostatečná vzdálenost „s“. Jsou vhodné pro všechny hladiny LPL. Zajišťují vyrovnávání potenciálů plusových a mínusových sběrnic PV systémů a likvidaci transientních přepětí vznikajících při atmosférických výbojích nebo spínacích procesech. Označení M specifikuje konstrukční provedení s výměnným modulem. Označení S specifikuje provedení s dálkovou signalizací. Instaluje se dle norem: ČSN EN 62305 ed. 2, IEC 61643-32:2017, ČSN CLC/TS 50539-12, ČSN 33 2000-7-712 ed. 2.
Jmenovitý svodový rázový proud (8/20)
20 kA
Maximální trvalé napětí DC
600 V
Způsob montáže
DIN lišta 35 mm
Konstrukční velikost
2 TE
S komunikačním kontaktem
Ne
Signalizace na přístroji
Optické
Zkušební třída typ 2
Ano
Krytí (IP)
IP20

Parametry