31. Berounské setkání elektrotechniků dne 17.2.2026 v areálu ART elektro, U Archivu 1925, 26601 Beroun
ART ELEKTRO spol. s r.o. spolu s Ing. Jiří Horákem pro vás připravili školení o nových požadavcích norem a přezkoušení dle NV 194/2022 Sb. o odborné způsobilosti v elektrotechnice.
podrobnější informace, soubory ke stažení : ZDE
Hakel *HSAD-P M S ochrana před přepětím SPD typ 3
| Kód produktu: | 777212381 |
|---|---|
| Kód dodavatele: | 30380 |
| EAN: | 8590681173626 |
| Výrobce: | HAKEL spol. s r.o. |
| Záruka: | 24 měsíc |
Na objednávku do 7 dní
1 813,40 CZK bez DPH / ks
2 194,21 CZK s DPH
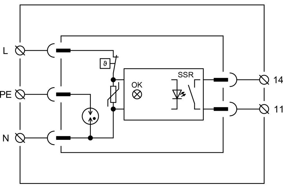
Svodiče přepětí typu T3, pro sériové (HSAD-S M S) nebo paralelní (HSAD-P M S) zapojení. Určeny pro ochranu jednofázových elektronických zařízení proti účinkům spínacích, indukovaných a zbytkových přepětí v sítích nn. Instaluje se na rozhraní zón LPZ 2 – LPZ 3, co nejblíže k chráněnému zařízení (max. 5 m). Před HSAD-S M S/HSAD-P M S musí být instalován svodič bleskových proudů a přepětí T1 a T2 od společnosti HAKEL. Kompaktní rozměry o konstrukční modulární šířce 1 TE. Konstrukční provedení s výměnným modulem. Označení S specifikuje provedení s dálkovou signalizací. Instaluje se dle norem: ČSN EN 62305 ed. 2, ČSN 33 2000-5-53 ed. 3, ČSN CLC/TS 61643-12.
|
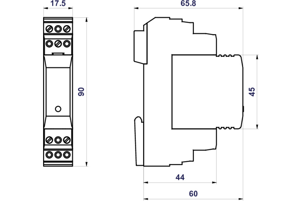
Způsob montáže
DIN lišta 35 mm
|
|
Jmenovité napětí AC
230 V
|
|
Maximální trvalé napětí AC
275 V
|
|
Jmenovitý svodový rázový proud (8/20) (L-N)
3 kA
|
|
Celkový svodový rázový proud (8/20) (L+N-PE)
6 kA
|
|
Napěťová ochranná hladina
1 kV
|
|
Napěťová ochranná hladina L-N
1 kV
|
|
Napěťová ochranná hladina L-PE/N-PE
1,5 kV
|
|
Počet pólů
2
|
|
S komunikačním kontaktem
Ano
|
|
Signalizace na přístroji
Optické
|
|
Zkušební třída typ 3
Ano
|
|
S odrušovacím filtrem
Ne
|
|
Krytí (IP)
IP20
|
