UPOZORNĚNÍ : Uzavírka přístupových komunikací k prodejně Beroun, provoz NEPŘERUŠEN. Varianta 1.- Průjezdná - zřízen nový vjezd do areálu firmy ART elektro, Z ulice Plzeňská odbočit do ulice Tyršova (okolo Policie) kde odbočíte doleva na parkoviště a na konci doprava a použijete nový vjezd. Varianta 2. = Neprůjezdná - pro příjezd ulice "Na Dražkách" (Autoservis Hřebíček) a dále pokračujte ulicí U Archivu (vjíždíte do zákazu vjezdu, probíhají stavební práce). Objednávky e-shopu vyřizujeme bez omezení. Děkujeme tým ART elektro
Mapka vjezdu ZDE

Hakel *HSAD16/24VDC S ochrana před přepětím SPD typ 3 DC

Kód produktu: 777212372
Kód dodavatele: 30285
EAN: 8590681163207
Výrobce: HAKEL spol. s r.o.
Záruka: 24 měsíc
Na objednávku do 7 dní
1 937,40 CZK bez DPH / ks
2 344,25 CZK s DPH
MJ: ks
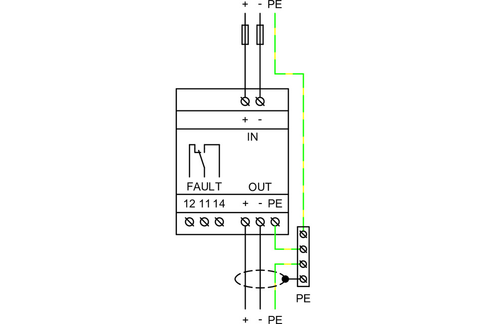
Dvoubranové svodiče přepětí typu T3 pro sériové zapojení. Určeny pro ochranu elektronických zařízení proti účinkům spínacích, indukovaných a zbytkových přepětí v stejnosměrných sítích. Obsahují vylepšenou tepelnou pojistku, která při přehřátí varistoru zaručí včasné odpojení od napájecí sítě. Aktivace tepelné pojistky je signalizována integrovanou světelnou indikací. Instalují se na rozhraní zón LPZ 2 – LPZ 3, co nejblíže k chráněnému zařízení (max. 5 m). Před HSAD16/*VDC S musí být instalován svodič bleskových proudů a přepětí T1 a T2 od společnosti HAKEL. Označení S specifikuje provedení s dálkovou signalizací. Instaluje se dle norem: ČSN EN 62305 ed. 2, ČSN 33 2000-5-53 ed. 3, ČSN CLC/TS 61643-12.
Způsob montáže
DIN lišta 35 mm
Jmenovité napětí DC
24 V
Maximální trvalé napětí DC
28,8 V
Jmenovitý zatěžovací proud
16 A
Jmenovitý svodový rázový proud (8/20) (L-N)
2 kA
Celkový svodový rázový proud (8/20) (L+N-PE)
4 kA
Napěťová ochranná hladina
0,25 kV
Napěťová ochranná hladina L-N
0,25 kV
Napěťová ochranná hladina L-PE/N-PE
0,6 kV
S komunikačním kontaktem
Ano
Signalizace na přístroji
Optické
Zkušební třída typ 3
Ano
S odrušovacím filtrem
Ne
Krytí (IP)
IP20

Parametry