31. Berounské setkání elektrotechniků dne 17.2.2026 v areálu ART elektro, U Archivu 1925, 26601 Beroun
ART ELEKTRO spol. s r.o. spolu s Ing. Jiří Horákem pro vás připravili školení o nových požadavcích norem a přezkoušení dle NV 194/2022 Sb. o odborné způsobilosti v elektrotechnice.
podrobnější informace, soubory ke stažení : ZDE
Hakel *HSAF10/200VDC S ochrana před přepětím SPD typ 3 s VF filtrem DC
| Kód produktu: | 777212289 |
|---|---|
| Kód dodavatele: | 30353 |
| EAN: | 8590681161500 |
| Výrobce: | HAKEL spol. s r.o. |
| Záruka: | 24 měsíc |
Na objednávku do 7 dní
2 299,30 CZK bez DPH / ks
2 782,15 CZK s DPH
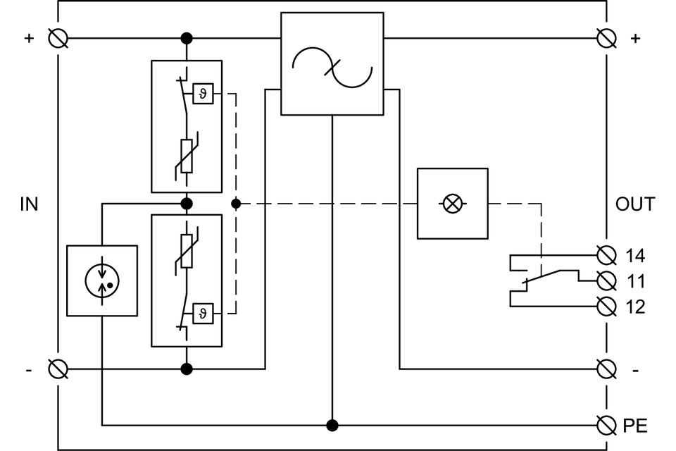
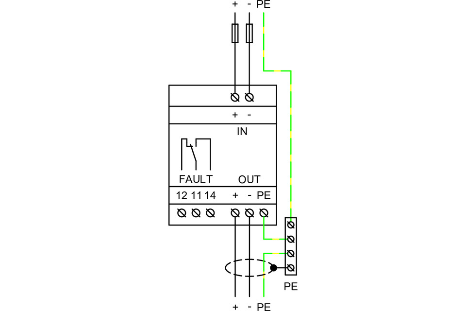
Dvoubranové svodiče přepětí typu T3 s vysokofrekvenčním filtrem pro sériové zapojení. Určeny pro ochranu elektronických zařízení proti účinkům spínacích, indukovaných a zbytkových přepětí v stejnosměrných sítích. Obsahují vylepšenou tepelnou pojistku, která při přehřátí varistoru zaručí včasné odpojení HSAF*VDC S od napájecí sítě a tím zabrání poškození HSAF*VDC S. Instalují se na rozhraní zón LPZ 2 – LPZ 3, co nejblíže k chráněnému zařízení (max. 5 m). Před HSAF*VDC S musí být instalován svodič bleskových proudů a přepětí T1 a T2 od společnosti HAKEL. Označení S specifikuje provedení s dálkovou signalizací. Instaluje se dle norem: ČSN EN 62305 ed. 2, ČSN 33 2000-5-53 ed. 3, ČSN CLC/TS 61643-12.
|
Způsob montáže
DIN lišta 35 mm
|
|
Jmenovité napětí DC
200 V
|
|
Maximální trvalé napětí DC
240 V
|
|
Jmenovitý zatěžovací proud
10 A
|
|
Jmenovitý svodový rázový proud (8/20) (L-N)
3 kA
|
|
Celkový svodový rázový proud (8/20) (L+N-PE)
6 kA
|
|
Napěťová ochranná hladina
1,3 kV
|
|
Napěťová ochranná hladina L-N
1,3 kV
|
|
Napěťová ochranná hladina L-PE/N-PE
0,8 kV
|
|
S komunikačním kontaktem
Ano
|
|
Signalizace na přístroji
Optické
|
|
Zkušební třída typ 3
Ano
|
|
S odrušovacím filtrem
Ano
|
|
Krytí (IP)
IP20
|
