UPOZORNĚNÍ : Uzavírka přístupových komunikací k prodejně Beroun, provoz NEPŘERUŠEN. Varianta 1.- Průjezdná - zřízen nový vjezd do areálu firmy ART elektro, Z ulice Plzeňská odbočit do ulice Tyršova (okolo Policie) kde odbočíte doleva na parkoviště a na konci doprava a použijete nový vjezd. Varianta 2. = Neprůjezdná - pro příjezd ulice "Na Dražkách" (Autoservis Hřebíček) a dále pokračujte ulicí U Archivu (vjíždíte do zákazu vjezdu, probíhají stavební práce). Objednávky e-shopu vyřizujeme bez omezení. Děkujeme tým ART elektro
Mapka vjezdu ZDE

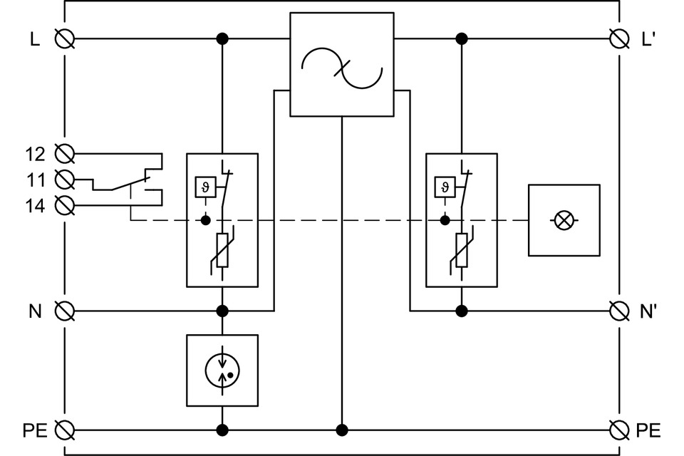
Hakel *HSAF80 S ochrana před přepětím SPD typ 3 s VF filtrem

Kód produktu: 777212349
Kód dodavatele: 30175
EAN: 8590681116944
Výrobce: HAKEL spol. s r.o.
Záruka: 24 měsíc
Na objednávku do 7 dní
10 850,80 CZK bez DPH / ks
13 129,47 CZK s DPH
MJ: ks
Dvoustupňové svodiče přepětí typu T3 s vysokofrekvenčním filtrem pro sériové zapojení. Určeny pro ochranu elektronických zařízení proti účinkům spínacích, indukovaných a zbytkových přepětí v sítích nn. Obsahují vylepšenou tepelnou pojistku, která při přehřátí varistoru zaručí včasné odpojení HSAF* S a HSAF3*S od napájecí sítě a tím zabrání poškození HSAF* S a HSAF3*S. Instalují se na rozhraní zón LPZ 2 – LPZ 3, co nejblíže k chráněnému zařízení (max. 5 m). Před HSAF* S a HSAF3*S musí být instalován svodič bleskových proudů a přepětí T1 a T2 od společnosti HAKEL. Instalují se k montážní desce rozvaděče pomocí čtyř šroubů. Označení S specifikuje provedení s dálkovou signalizací. Instaluje se dle norem: ČSN EN 62305 ed. 2, ČSN 33 2000-5-53 ed. 3, ČSN CLC/TS 61643-12.
Způsob montáže
Na omítku/pod omítku
Jmenovité napětí AC
230 V
Maximální trvalé napětí AC
275 V
Jmenovitý zatěžovací proud
80 A
Jmenovitý svodový rázový proud (8/20) (L-N)
3 kA
Celkový svodový rázový proud (8/20) (L+N-PE)
6 kA
Napěťová ochranná hladina
0,85 kV
Napěťová ochranná hladina L-N
0,85 kV
Napěťová ochranná hladina L-PE/N-PE
1,2 kV
Počet pólů
S komunikačním kontaktem
Ano
Signalizace na přístroji
Optické
Zkušební třída typ 3
Ano
S odrušovacím filtrem
Ano
Krytí (IP)
IP20

Parametry