31. Berounské setkání elektrotechniků dne 17.2.2026 v areálu ART elektro, U Archivu 1925, 26601 Beroun
ART ELEKTRO spol. s r.o. spolu s Ing. Jiří Horákem pro vás připravili školení o nových požadavcích norem a přezkoušení dle NV 194/2022 Sb. o odborné způsobilosti v elektrotechnice.
podrobnější informace, soubory ke stažení : ZDE
Hakel *PIVM PV 800 DS Vseries ochrana před přepětím SPD PV typ 1+2
| Kód produktu: | 777212005 |
|---|---|
| Kód dodavatele: | 16074 |
| EAN: | 8590681122952 |
| Výrobce: | HAKEL spol. s r.o. |
| Záruka: | 24 měsíc |
Na objednávku do 7 dní
2 535,40 CZK bez DPH / ks
3 067,83 CZK s DPH
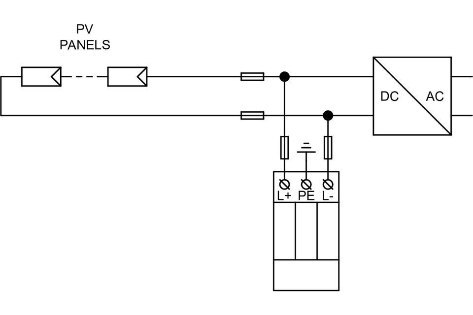
Svodiče impulzních proudů a rázového přepětí typu T1+T2 pro fotovoltaické (PV) systémy. Výrobky jsou koncipované v zapojení typu Y, které je odolné vůči zemnímu spojení pracovních vodičů. Jednotlivé varistorové sekce zapojené mezi svorky L+, L- a PE jsou opatřeny interními odpojovači, které jsou aktivovány při poruše (přehřátí) varistorů a jsou schopny přerušit DC proud. Speciální konstrukce vnitřního odpojovače dovoluje instalaci bez předřazeného předjištění. Instalují se na DC straně v PV aplikacích s vnějším LPS, kde není dodržena dostatečná vzdálenost „s“. Jsou vhodné pro hladinu LPL III nebo IV. Zajišťují vyrovnávání potenciálů plusových a mínusových sběrnic PV systémů a likvidaci transientních přepětí vznikajících při atmosférických výbojích (včetně přímého úderu blesku do PV systému) nebo spínacích procesech. Označení M specifikuje konstrukční provedení s výměnným modulem. Označení DS specifikuje provedení s dálkovou signalizací. Instaluje se dle norem: ČSN EN 62305 ed. 2, ČSN CLC/TS 50539–12, ČSN 33 2000-7-712 ed. 2.
|
Bleskový proud (10/350)
6,5 kA
|
|
Maximální trvalé napětí DC
870 V
|
|
Způsob montáže
DIN lišta 35 mm
|
|
Konstrukční velikost
3 TE
|
|
Dálková signalizace
Ano
|
|
Signalizace na přístroji
Optické
|
|
Zkušební třída
Typ 1 a 2
|
|
Vyfukovací
Ano
|
